legines.com
105l Aço tubo de lama longa porca

105l Aço tubo de lama longa porca

Recursos do produto:
■■ Toda a construção de latão
■■ UL listado para líquido inflamável e gás
■■ Atende aos requisitos funcionais do SAE J512
■■ Porca de aço para economia

Mercados: Aplicativos:
■■ Ar condicionado ■■ Linhas de refrigerante
■■ Marinho ■■ Linhas de freio
■■ Móvel ■■ Linhas de combustível
■■ Motores

Tubo compatível:
■■ Cobre
■■ Latão
■■ Alumínio
■■ Tubulação hidráulica de aço soldada

Parte de referência no:

Contate-nos

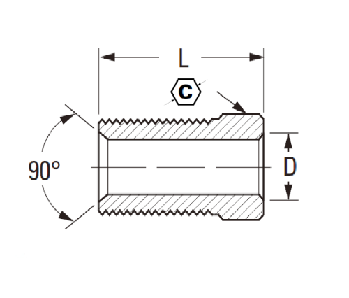
ESPECIFICAÇÕES

PAPEL#

Tubo o.d

C

D

L

105L-3

3/16 3/8 .196

.844

105L-4

1/4 7/16 .257 .812

Esta é uma construção de latão, porca de fio longa para tubo de até 1/4 "de material.
Procurando por nozes de tubos de aço inoxidável? Esta lista é para você! A porca de rosca longa do tubo de aço inoxidável de 105L é uma ótima atualização para o seu sistema de encanamento, construído de toda a construção de latão e atende aos requisitos funcionais do SAE J512. Ele vem em muitos tamanhos, portanto, verifique -os.

Contato conosco

Sobre Legines

Legines Industrial Machinery Inc.

Como fabricantes profissionais de acessórios de bronze da China e fornecedores de acessórios. 45 Máquinas-ferramentas automáticas, 35 Machine Tools CNC semi-automática, bem como distribuidores, que se tornaram fornecedores importantes para a produção de peças de latão padrão americano na China ...
  • honra
  • honra

Instruções & NOTÍCIAS