legines.com
302 ajuste de união de linha de freio de latão

302 ajuste de união de linha de freio de latão

Recursos do produto:
■■ Toda a construção de latão
■■ UL listado para líquido inflamável e gás
■■ Atende aos requisitos funcionais do SAE J512
■■ Porca de aço para economia

Mercados: Aplicativos:
■■ Ar condicionado ■■ Linhas de refrigerante
■■ Marinho ■■ Linhas de freio
■■ Móvel ■■ Linhas de combustível
■■ Motores

Tubo compatível:
■■ Cobre
■■ Latão
■■ Alumínio
■■ Tubulação hidráulica de aço soldada

Parte de referência no:
302 -2300 -42IFHD

Contate-nos

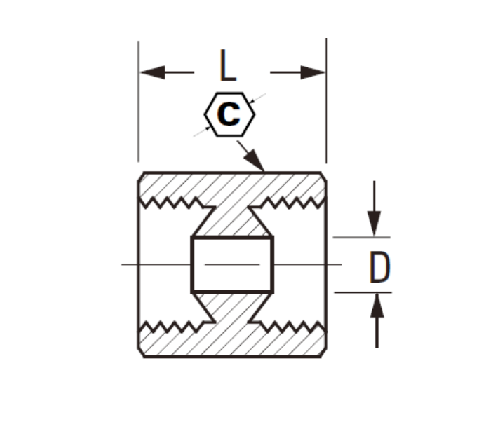
ESPECIFICAÇÕES

PAPEL#

Inv.Flare × Inv.Flare

C

D

L

302-2

1/8 13/32 .78

.59

302-3

3/16 15/32 .125

.62

302-4 1/4 17/32 .188 .62

302-5

5/16 19/32 .219 .70

302-6

3/8 3/4 .281 .80
302-8 1/2

29/32

.406

.91

*Ref.SAE No.040101 BA

Esse ajuste da união é usado para todos os tipos de aplicações, como linhas de ar condicionado, linhas de refrigerante, marítimo, linhas de combustível móvel, motores e transmissões. É composto de construção de latão e tem uma porca de aço para a economia.
O ajuste da união flexível de linha de bronze 302 da série é usado para conectar seções de tubulação com flare. A série 302 é ideal para linhas de freio, linhas de combustível e linhas de refrigeração. A porca de aço é usada para proteger a união da linha no lugar. A série 302 foi projetada para uso com tubos de cobre e alumínio.
Esse ajuste de união de latão permite que você conecte as seções de tubulação de maneira rápida e confiável. É feito de latão, que é resistente ao calor e livre de corrosão. É fácil de instalar, graças à sua junta de borracha Norprene, que fornece uma vedação apertada entre os acessórios finais, reduzindo vazamentos ou vazamentos. O ajuste da união é compatível com a tubulação feita de cobre, latão ou alumínio.
Esta união fornece um meio para a conexão de duas peças de tubulação. O corpo principal é feito de latão com uma porca de aço para a economia. A entrada cravejada que é enfiada em um tubo se encaixa em uma ranhura no corpo da união e arrasta em um brilho de latão. O segundo tubo passa por uma ranhura externa para ser presa com segurança por um pino interno que também pode ser colocado em seu próprio ranhura, se desejar.

Contato conosco

Sobre Legines

Legines Industrial Machinery Inc.

Como fabricantes profissionais de acessórios de bronze da China e fornecedores de acessórios. 45 Máquinas-ferramentas automáticas, 35 Machine Tools CNC semi-automática, bem como distribuidores, que se tornaram fornecedores importantes para a produção de peças de latão padrão americano na China ...
  • honra
  • honra

Instruções & NOTÍCIAS