legines.com
100 porca de tubo de encaixe invertido de latão

100 porca de tubo de encaixe invertido de latão

Recursos do produto:
■■ Toda a construção de latão
■■ UL listado para líquido inflamável e gás
■■ Atende aos requisitos funcionais do SAE J512
■■ Porca de aço para economia

Mercados: Aplicativos:
■■ Ar condicionado ■■ Linhas de refrigerante
■■ Marinho ■■ Linhas de freio
■■ Móvel ■■ Linhas de combustível
■■ Motores

Tubo compatível:
■■ Cobre
■■ Latão
■■ Alumínio
■■ Tubulação hidráulica de aço soldada

Parte de referência no:
2100 41IF -100 -41IB

Contate-nos

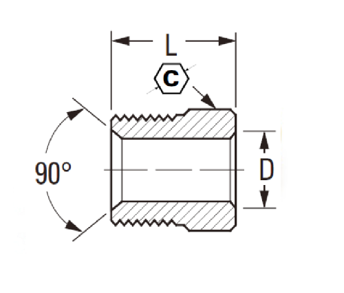
ESPECIFICAÇÕES

PAPEL#

Tubo o.d

C

D

L

100-3

3/16 3/8 .196

.56

100-4

1/4 7/16 .259 .56

100-5

5/16 1/2 .321 .62

100-6

3/8 5/8 .384 .66

100-8

1/2

3/4

.508

.74

*Ref.Sae No.040110 BA

Resistente e econômico, esse encaixe invertido é feito de latão. O acessório inclui uma porca de aço para segurança e pode ser usado com tubos de cobre, latão ou alumínio. Atende a todos os requisitos funcionais do SAE J512.
Construção total de bronze, 100% ASME B16.28, SAE J512 e SAE J5195.0 Os acessórios do compressores são projetados para uso em aplicações de alta temperatura de vapor e água. Compatibilidade do tubo de golpes, ele pode ser conectado a qualquer tubulação de aço ou tubo de até 1 polegada (25 milímetros).
Esta porca do tubo de ajuste de flare invertida, comumente conhecida como acoplador, foi projetada para conectar dois pedaços de tubulação no mesmo plano. O acessório usa uma porca de aço com uma extremidade de flare que se encaixa no enchimento feminino na outra extremidade do tubo. Esses acessórios são usados extensivamente em uma variedade de aplicações, do ar condicionado a motores a diesel marítimos e móveis.
Pesados - Esses acessórios invertidos são feitos inteiramente de latão e são especialmente projetados para serem usados com tubos de cobre ou alumínio. Cada encaixe é completamente ajustável e a construção pesada garante a durabilidade durante o uso.

Contato conosco

Sobre Legines

Legines Industrial Machinery Inc.

Como fabricantes profissionais de acessórios de bronze da China e fornecedores de acessórios. 45 Máquinas-ferramentas automáticas, 35 Machine Tools CNC semi-automática, bem como distribuidores, que se tornaram fornecedores importantes para a produção de peças de latão padrão americano na China ...
  • honra
  • honra

Instruções & NOTÍCIAS