legines.com
105 FLARE DE NOTA DE AÇO

105 FLARE DE NOTA DE AÇO

Recursos do produto:
■■ Toda a construção de latão
■■ UL listado para líquido inflamável e gás
■■ Atende aos requisitos funcionais do SAE J512
■■ Porca de aço para economia

Mercados: Aplicativos:
■■ Ar condicionado ■■ Linhas de refrigerante
■■ Marinho ■■ Linhas de freio
■■ Móvel ■■ Linhas de combustível
■■ Motores

Tubo compatível:
■■ Cobre
■■ Latão
■■ Alumínio
■■ Tubulação hidráulica de aço soldada

Parte de referência no:
2015 -411fs -105 -41w

Contate-nos

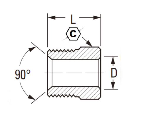
ESPECIFICAÇÕES

PAPEL#

Tubo o.d

C

D

L

105-3

3/16 5/16 .196

.56

105-4

1/4 3/8 .259 .56

105-5

5/16 7/16 .321 .62

105-6

3/8 5/8 .384 .66

105-8

1/2

3/4

.508

.74

105-10

5/8

7/8

.632

.80

105-12

3/4

1-1/16

.757

.88

A série 105 é um encaixe de baixo custo. É feito de latão e possui as características das linhas de fluido e gás inflamáveis. A série 105 inclui nozes de aço para economia, que estão disponíveis em muitos tamanhos. Também possui compatibilidade com inúmeros materiais de tubulação, incluindo cobre, latão, alumínio e tubos hidráulicos de aço soldados.
A parte no: 2015 - 411fs - 105 - 41W foi fabricada pela Miller Welder para ajudar a tornar o ambiente industrial e comercial mais seguro, mais eficiente e acessível. A parte nº.: 2015 - 411FS - 105 - 41W é classificada pela UL para líquidos e gases inflamáveis. Este produto é feito de um latão de alta qualidade que não corroerá ou enferrujar em uso.
O ajuste de flare de porca de aço 105 oferece um produto duradouro com um ajuste de NPT masculino de 1/2 "e um flare de 3/8". É feito de alta qualidade de construção de latão, atendendo ou excedendo todos os códigos relevantes da ANSI B16.11 e SAE J512. Este produto foi projetado para uso nas seguintes aplicações: ar condicionado (incluindo linhas AC automotivas), linhas de refrigerante e linhas de óleo de refrigerante, marinho, linhas de freio, linhas de combustíveis móveis, motores, etc.
Este encaixe de porca de aço de 3/4 "x 3/4" x 8 "com a junta de vedação de pressão pode ajudá-lo a obter a confiabilidade, durabilidade e segurança que você exige de suas linhas de tubulação industrial. Um corpo de gestão fundida e um giro sólido de latão tornam esse encaixe extra durável, enquanto um acabamento de aço sem vazamento ajuda a prevenir qualquer problema de corrosão.

Contato conosco

Sobre Legines

Legines Industrial Machinery Inc.

Como fabricantes profissionais de acessórios de bronze da China e fornecedores de acessórios. 45 Máquinas-ferramentas automáticas, 35 Machine Tools CNC semi-automática, bem como distribuidores, que se tornaram fornecedores importantes para a produção de peças de latão padrão americano na China ...
  • honra
  • honra

Instruções & NOTÍCIAS