legines.com
131 plugue de linha de freio invertido de aço

131 plugue de linha de freio invertido de aço

Recursos do produto:
■■ Toda a construção de latão
■■ UL listado para líquido inflamável e gás
■■ Atende aos requisitos funcionais do SAE J512
■■ Porca de aço para economia

Mercados: Aplicativos:
■■ Ar condicionado ■■ Linhas de refrigerante
■■ Marinho ■■ Linhas de freio
■■ Móvel ■■ Linhas de combustível
■■ Motores

Tubo compatível:
■■ Cobre
■■ Latão
■■ Alumínio
■■ Tubulação hidráulica de aço soldada

Contate-nos

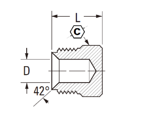
ESPECIFICAÇÕES

PAPEL#

Tubo o.d

C

D

L

131-3

3/16 3/8 .188

.53

131-4

1/4 7/16 .188 .54

131-5

5/16 1/2 .250 .59

131-6

3/8 5/8 .312 .66

*Ref.SAE No.040109 BA

Nossas 131 séries de acessórios de linha de freio invertidos de latão são projetados especificamente para linhas de gás e combustível. O design invertido fornece uma conexão sem vazamentos em aplicações apertadas.
O plugue da linha de freio invertido de 131 aço é um plugue de chaves invertido com incêndio ou gasolina, projetado para selar a extremidade do terminal da tubulação flexível. É feito de aço banhado a zinco para resistência à corrosão e uma inserção de plástico integral que oferece força contra a distorção. Também disponível com uma construção de latão.
Este produto é um plugue banhado a bronze e aço com encaixe invertido. É feito para aceitar 1/8 de tubo. A dimensão é de 0,53 "diâmetro em 0,54" de profundidade, esse estilo de plugue só pode ser usado em tubos de cobre, aço e alumínio.
A economia é frequentemente o nome do jogo nas aplicações da linha de freio. E não há melhor maneira de economizar dinheiro do que com este plugue de linha que mantém o ar fresco fora de suas linhas, mas parece ótimo e durará nos próximos anos. Com uma porca de aço e barril de latão, isso certamente atenderá às suas necessidades.

Contato conosco

Sobre Legines

Legines Industrial Machinery Inc.

Como fabricantes profissionais de acessórios de bronze da China e fornecedores de acessórios. 45 Máquinas-ferramentas automáticas, 35 Machine Tools CNC semi-automática, bem como distribuidores, que se tornaram fornecedores importantes para a produção de peças de latão padrão americano na China ...
  • honra
  • honra

Instruções & NOTÍCIAS