legines.com
502 cotovelo da união de flare invertido

502 cotovelo da união de flare invertido

Recursos do produto:
■■ Toda a construção de latão
■■ UL listado para líquido inflamável e gás
■■ Atende aos requisitos funcionais do SAE J512
■■ Porca de aço para economia

Mercados: Aplicativos:
■■ Ar condicionado ■■ Linhas de refrigerante
■■ Marinho ■■ Linhas de freio
■■ Móvel ■■ Linhas de combustível
■■ Motores

Tubo compatível:
■■ Cobre
■■ Latão
■■ Alumínio
■■ Tubulação hidráulica de aço soldada

Parte de referência no:
502 -450

Contate-nos

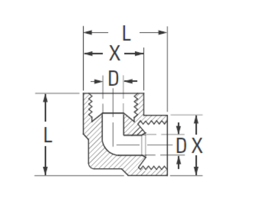
ESPECIFICAÇÕES

PAPEL#

Tubo o.d

D

M

L

502-4 1/4 .188 .53 .77
*502-5 5/16 .219 .59 .86
*502-6 3/8 .281 .72 1.04

*Não é padrão

*Ref.SAE No.040201 BA

O cotovelo da união de flare invertido 502 é uma união de flare que fornece uma conexão universalmente compatível para tubos no lado a jusante da peça. Possui toda a construção de latão, é listada por líquido e gás inflamável e atende aos requisitos funcionais do SAE J512. Porca de aço para economia, verifique a referência no.
Esse cotovelo da união é um encanamento usado nos sistemas de refrigeração e ar condicionado. É normalmente conectado a tubos de cobre, prata ou latão. Os acessórios queimados incluem orifícios de drenagem para ajudar a drenar a condensação da tubulação.

Contato conosco

Sobre Legines

Legines Industrial Machinery Inc.

Como fabricantes profissionais de acessórios de bronze da China e fornecedores de acessórios. 45 Máquinas-ferramentas automáticas, 35 Machine Tools CNC semi-automática, bem como distribuidores, que se tornaram fornecedores importantes para a produção de peças de latão padrão americano na China ...
  • honra
  • honra

Instruções & NOTÍCIAS