legines.com
252 Adaptadores femininos invertidos

252 Adaptadores femininos invertidos

Recursos do produto:
■■ Toda a construção de latão
■■ UL listado para líquido inflamável e gás
■■ Atende aos requisitos funcionais do SAE J512
■■ Porca de aço para economia

Mercados: Aplicativos:
■■ Ar condicionado ■■ Linhas de refrigerante
■■ Marinho ■■ Linhas de freio
■■ Móvel ■■ Linhas de combustível
■■ Motores

Tubo compatível:
■■ Cobre
■■ Latão
■■ Alumínio
■■ Tubulação hidráulica de aço soldada

Parte de referência no:
461FHD -252 -46W

Contate-nos

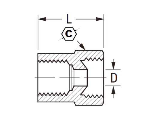
ESPECIFICAÇÕES

PAPEL#

Tubo O.D × Thread

C

D

L

252-3a

3/16 × 1/8 15/32 .125 .62

252-4A

1/4 × 1/8 17/32 .188 .62

252-5b

5/16 × 1/4 19/32 .220 .70

252-6b

3/8 × 1/4 3/4 .281 .80

252-8c

1/2 × 3/8 29/32 .406 .91

*REF.SAE No.040103 BA

Este adaptador feminino de bronze possui um brilho invertido para uso com acessórios de quedas masculinas padrão. Ele fornece um selo confiável para evitar vazamentos e é aprovado pelo SAE J512. A porca de aço é recomendada para aplicações econômicas, onde um ajuste de flare permanentemente instalado ainda deve ser removido ou reinstalado em um curto período de tempo.
Fornecendo versatilidade e durabilidade extras, a série 252 acomodará tubos com um diâmetro externo de 3/16 ", 1/4", 5/16 "e 3/8". Isso garante que seja compatível com praticamente todos os seus acessórios de tanques. Você também ficará impressionado com sua construção durável, garantindo uma vida longa, não importa quantas vezes você a use.
Esse ajuste adaptador foi projetado para conectar a tubulação a mangueiras e válvulas. Feita de latão, esse encaixe atende aos padrões do setor e foi projetado para uso em aplicações automotivas e marítimas.
O adaptador feminino invertido é um encaixe feminino compatível com fios NPT SAE 1/2 "e tubos SAE 3/8". Construídos a partir de materiais duráveis e projetados para uso extensivo, esses acessórios são ótimos para qualquer casa ou empresa.

Contato conosco

Sobre Legines

Legines Industrial Machinery Inc.

Como fabricantes profissionais de acessórios de bronze da China e fornecedores de acessórios. 45 Máquinas-ferramentas automáticas, 35 Machine Tools CNC semi-automática, bem como distribuidores, que se tornaram fornecedores importantes para a produção de peças de latão padrão americano na China ...
  • honra
  • honra

Instruções & NOTÍCIAS