legines.com
402 FLARE invertido 90 ° Macho de cotovelo machado

402 FLARE invertido 90 ° Macho de cotovelo machado

Recursos do produto:
■■ Toda a construção de latão
■■ UL listado para líquido inflamável e gás
■■ Atende aos requisitos funcionais do SAE J512
■■ Porca de aço para economia

Mercados: Aplicativos:
■■ Ar condicionado ■■ Linhas de refrigerante
■■ Marinho ■■ Linhas de freio
■■ Móvel ■■ Linhas de combustível
■■ Motores

Tubo compatível:
■■ Cobre
■■ Latão
■■ Alumínio
■■ Tubulação hidráulica de aço soldada

Parte de referência no:
4000 -2400 -2491IFHD -2491IF -49W

Contate-nos

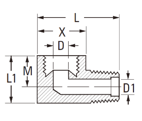
ESPECIFICAÇÕES

PAPEL#

Tubo o.d × fios masculinos

X

D

L

402-2A

1/8 × 1/8 .42 .078 .80

402-3a

3/16 × 1/8 .47 .125 .70

402-4A

1/4 × 1/8 .53 .188 .74

402-4b

1/4 × 1/4 .56 .188 .89

402-5a

5/16 × 1/8 .59 .219 .79

402-5b

5/16 × 1/4 .59 .220 .98

402-6a

3/8 × 1/8 .76 .281 .89

402-6b

3/8 × 1/4 .76 .281 1.03

402-6c

3/8 × 3/8 .75 .281 1.01

402-8b

1/2 × 1/4 .91 .406 1.08

402-8C

1/2 × 3/8 .92 .406 1.07
402-8d 1/2 × 1/2 .91 .406 1.26
402-10d 5/8 × 1/2 1.06 .531 1.32

*REF.SAE No.040202 BA

Os cotovelos de 90 ° de queimados permitem conectar facilmente duas linhas em um ângulo reto. Eles são usados para alterar a direção da água, ar condicionado e linhas de refrigerante, linhas de freio e linhas de combustível. As nozes de construção e aço de todos os tipos os tornam ideais para uso com a mangueira de borracha hidráulica de aço.
Este cotovelo de 90 ° Flare é toda a construção de latão, listada para líquido e gás inflamável, atende aos requisitos funcionais do tubo SAE J512, 1/8 "x1/8" a 1/2 "x1/2". A porca de aço para a economia que atende à maioria dos padrões dos fabricantes de carros OEM.
Este é um ajuste de cotovelo masculino do NPT que é construído de latão e usado no encanamento. Este encaixe fornece uma maneira barata de conectar tubos feitos com diferentes materiais e tamanhos.

Contato conosco

Sobre Legines

Legines Industrial Machinery Inc.

Como fabricantes profissionais de acessórios de bronze da China e fornecedores de acessórios. 45 Máquinas-ferramentas automáticas, 35 Machine Tools CNC semi-automática, bem como distribuidores, que se tornaram fornecedores importantes para a produção de peças de latão padrão americano na China ...
  • honra
  • honra

Instruções & NOTÍCIAS