legines.com
3350# 45 graus de cotovelo de rua acessórios de tubulação de latão

3350# 45 graus de cotovelo de rua acessórios de tubulação de latão

Recursos do produto: Mercados:
■■ Toda a construção de latão ■■ Industrial
■■ Atende aos requisitos funcionais de ■■ Construção
SAE J530 e SAE J531 ■■ Caminhão pesado
■■ Tópicos feitos para padrões dryseal ■■ Móvel
■■ Tanto o esquecimento quanto as extrusões disponíveis ■■ Automação de fábrica/processo

Aplicações: tubulação compatível:
■■ Linhas aéreas ■■ Cobre
■■ Linha de água ■■ Latão
■■ Linhas de resfriamento ■■ Tubo de ferro

Especificações:
Faixa de pressão até 1000 psi
Faixa de temperatura -65˚ a 250˚F

Aplicação típica:
Graxa, combustíveis, LP e gás natural, refrigerção.

Conformidade:
Atende às especificações e padrões da ASA, ASME e SAE.

Parte de referência no:
306 -3350 -2214p -224 -124a

Contate-nos

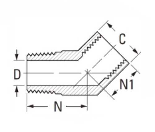
ESPECIFICAÇÕES

PAPEL# Tamanho da linha C D N N1
3350-A 1/8 × 1/8 9/16 .219 .50 .38
3350-B 1/4 × 1/4 11/16 .315 .74 .56
3350-C 3/8 × 3/8 13/16 .438 .78 .56
3350-D 1/2 × 1/2 1 " .562 1.00 .76
3350-e 3/4 × 3/4 1 "-1/4 .750 1.06 .75

*Ref.Sae No.130339

O 3350 é um encaixe em forma de cotovelo de 45 graus. O acessório é feito para ser usado com uma variedade de diferentes materiais de tubulação e pode suportar até 1000 psi. Ele também possui uma faixa de temperatura operacional entre -65˚ e 250˚F.Or 45 Graus Street Cotonete Os acessórios de tubo de latão são feitos de acordo com suas especificações exatas por nossa equipe de fabricantes experientes. O cotovelo da rua é um encaixe de tubo que possui dois fios de tubo em uma extremidade e a outra extremidade tem uma dobra de 90 ° no tubo. Os cotovelos da rua são usados em muitas indústrias diferentes, do encanamento ao transporte. Os cotovelos da rua são feitos na configuração feminina ou masculina para aumentar o fluxo de fluidos ou gases em uma variedade de pressões, temperaturas e tamanhos de linha, conforme necessário pelo cliente.

Contato conosco

Sobre Legines

Legines Industrial Machinery Inc.

Como fabricantes profissionais de acessórios de bronze da China e fornecedores de acessórios. 45 Máquinas-ferramentas automáticas, 35 Machine Tools CNC semi-automática, bem como distribuidores, que se tornaram fornecedores importantes para a produção de peças de latão padrão americano na China ...
  • honra
  • honra

Instruções & NOTÍCIAS