legines.com
3325# redução de acessórios de tubo de mamilo hexadecimal

3325# redução de acessórios de tubo de mamilo hexadecimal

Recursos do produto: Mercados:
■■ Toda a construção de latão ■■ Industrial
■■ Atende aos requisitos funcionais de ■■ Construção
SAE J530 e SAE J531 ■■ Caminhão pesado
■■ Tópicos feitos para padrões dryseal ■■ Móvel
■■ Tanto o esquecimento quanto as extrusões disponíveis ■■ Automação de fábrica/processo

Aplicações: tubulação compatível:
■■ Linhas aéreas ■■ Cobre
■■ Linha de água ■■ Latão
■■ Linhas de resfriamento ■■ Tubo de ferro

Especificações:
Faixa de pressão até 1000 psi
Faixa de temperatura -65˚ a 250˚F

Aplicação típica:
Graxa, combustíveis, LP e gás natural, refrigerção.

Conformidade:
Atende às especificações e padrões da ASA, ASME e SAE.

Parte de referência no:
216p -3325 -379 -122AH -122B

Contate-nos

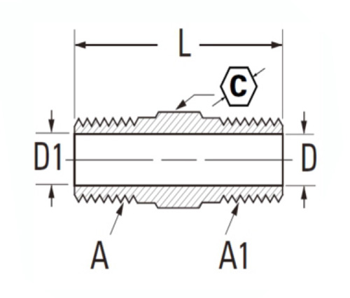
ESPECIFICAÇÕES

PAPEL#

Tamanho da linha

C

D

D1

L

3325L-AA

1/8 × 1/8

7/16

.219

.219

.91

3325-AA

1/8 × 1/8

7/16

.219

.219

.97

3325L-BA

1/4 × 1/8

9/16

.219

.219

1.00

3325-BA

1/4 × 1/8

91/6

.312

.219

1.19

3325L-BB

1/4 × 1/4

9/16

.312

.312

1.12

3325-BB

1/4 × 1/4

9/16

.312

.312

1.38

3325L-CA

3/8 × 1/8

11/16

.438

.219

1.11

3325-CA

3/8 × 1/8

11/16

.438

.219

1.22

3325L-CB

3/8 × 1/4

11/16

.438

.312

1.19

3325-CB

3/8 × 1/4

11/16

.438

.312

1.41

3325L-CC

3/8 × 3/8

11/16

.438

.438

1.25

3325-cc

3/8 × 3/8

11/16

.438

.438

1.41

3325L-DB

1/2 × 1/4

7/8

.562

.319

1.34

3325-db

1/2 × 1/4

7/8

.562

.319

1.62

3325L-DC

1/2 × 3/8

7/8

.562

.438

1.41

3325-DC

1/2 × 3/8

7/8

.562

.438

1.62

3325L-DD

1/2 × 1/2

7/8

.662

.662

1.50

3325-DD

1/2 × 1/2

7/8

.562

.562

1.81

3325-ED

3/4 × 1/2

1-1/16

.750

.562

1.50

3325-ee

3/4 × 3/4

1-1/16

.750

.750

1.96

3325-HH

1 "× 1"

1-3/8

.960

.960

2.30

* L: Luz

*Ref.Sae No.130137

Nossas séries 3325, reduzindo os acessórios de tubo de mamilo hexadecimal, são feitos com liga de latão que é 100% sem chumbo. Oferecemos esquecidos e extrusões desse encaixe. Cada mamilo é fabricado para atender aos requisitos funcionais do SAE J530 ou SAE J531, ambos os mercados de caminhões pesados. Os mamilos de tubo de série 3325 forjados estão disponíveis em threads de tamanho grande e padrão. Esses mamilos são compatíveis com tubos de cobre, latão e ferro, variando de ¼ ”a ½” da programação 40. Nossos engenheiros de vendas de fábrica ajudarão você a garantir que você tenha o ajuste certo para o seu trabalho! A série de 3325, reduzindo o ajuste do tubo do mamilo, é usada para reduzir o tamanho do tubo de diâmetro externo. A série 3325 apresenta um esquecimento da construção de latão e vem com a certificação NACE e também a A-607, as marcas de estampagem da AWS e ASME na frente. Disponível em diferentes pressões de até 1000 psi.
A redução de acessórios para tubos de mamilo hexadecimal é ideal para a maioria das aplicações. Eles fornecem designs compactos e de economia de espaço e são usados para unir sistemas de tubulação. Esses conectores masculinos e femininos são feitos de materiais de latão fortes e equipados com fios usinados de precisão para garantir uma operação suave.

Contato conosco

Sobre Legines

Legines Industrial Machinery Inc.

Como fabricantes profissionais de acessórios de bronze da China e fornecedores de acessórios. 45 Máquinas-ferramentas automáticas, 35 Machine Tools CNC semi-automática, bem como distribuidores, que se tornaram fornecedores importantes para a produção de peças de latão padrão americano na China ...
  • honra
  • honra

Instruções & NOTÍCIAS