legines.com
3152# acessórios de latão com núcleo hexadecimal acessórios de tubulação

3152# acessórios de latão com núcleo hexadecimal acessórios de tubulação

Recursos do produto: Mercados:
■■ Toda a construção de latão ■■ Industrial
■■ Atende aos requisitos funcionais de ■■ Construção
SAE J530 e SAE J531 ■■ Caminhão pesado
■■ Tópicos feitos para padrões dryseal ■■ Móvel
■■ Tanto o esquecimento quanto as extrusões disponíveis ■■ Automação de fábrica/processo

Aplicações: tubulação compatível:
■■ Linhas aéreas ■■ Cobre
■■ Linha de água ■■ Latão
■■ Linhas de resfriamento ■■ Tubo de ferro

Especificações:
Faixa de pressão até 1000 psi
Faixa de temperatura -65˚ a 250˚F

Aplicação típica:
Graxa, combustíveis, LP e gás natural, refrigerção.

Conformidade:
Atende às especificações e padrões da ASA, ASME e SAE.

Parte de referência no:
218p -3152 -121a -103 -121b -pph -218p

Contate-nos

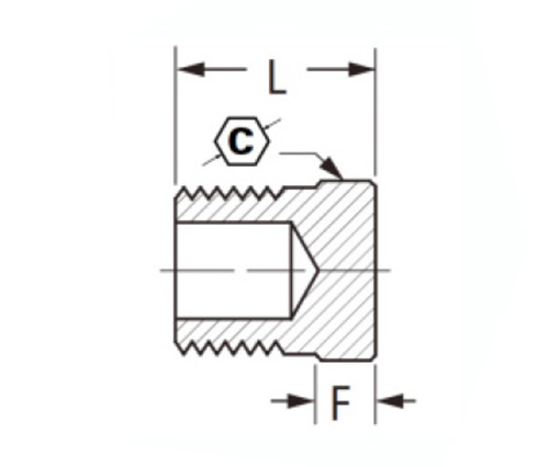
ESPECIFICAÇÕES

PAPEL#

Tamanho da linha

C

F

L

3152-A

1/8

7/16

.19

.55

3152-B

1/4

9/16

.18

.62

3152-C

3/8

11/16

.22

.72

3152-D

1/2

7/8

.39

.87

3152-E

3/4

1-1/16

.56

.94

3152# acessórios de latão com núcleo hexadecimal acessórios de tubulação - Este produto apresenta construção de latão, aplicações industriais e esquecedores e extrusões disponíveis. Esses plugues hexadecimais foram fabricados com os padrões de encadeamento SAE J530/J531 para as especificações DrySeal. Eles são compatíveis com tubos de 1/8 "de NPT e tubos de bronze. Eles também são compatíveis com outros materiais, faixas de temperatura e faixas de pressão. É um ajuste de plugue hexadecimal com uma extremidade hexadecimal, para que possa ser facilmente instalada no range de temperatura e um intervalo de temperatura. Ralor de aço inoxidável de 3hungth-midize em aço inoxidável para preparação de alimentos (escolha de cor) polegadas (0-002 polegadas).

Contato conosco

Sobre Legines

Legines Industrial Machinery Inc.

Como fabricantes profissionais de acessórios de bronze da China e fornecedores de acessórios. 45 Máquinas-ferramentas automáticas, 35 Machine Tools CNC semi-automática, bem como distribuidores, que se tornaram fornecedores importantes para a produção de peças de latão padrão americano na China ...
  • honra
  • honra

Instruções & NOTÍCIAS