legines.com
3500# acessórios de latão de 90 graus de cotovelo

3500# acessórios de latão de 90 graus de cotovelo

Recursos do produto: Mercados:
■■ Toda a construção de latão ■■ Industrial
■■ Atende aos requisitos funcionais de ■■ Construção
SAE J530 e SAE J531 ■■ Caminhão pesado
■■ Tópicos feitos para padrões dryseal ■■ Móvel
■■ Tanto o esquecimento quanto as extrusões disponíveis ■■ Automação de fábrica/processo

Aplicações: tubulação compatível:
■■ Linhas aéreas ■■ Cobre
■■ Linha de água ■■ Latão
■■ Linhas de resfriamento ■■ Tubo de ferro

Especificações:
Faixa de pressão até 1000 psi
Faixa de temperatura -65˚ a 250˚F

Aplicação típica:
Graxa, combustíveis, LP e gás natural, refrigerção.

Conformidade:
Atende às especificações e padrões da ASA, ASME e SAE.

Parte de referência no:
2200p -3500 -302 -200 -28001 a 28005 -100

Contate-nos

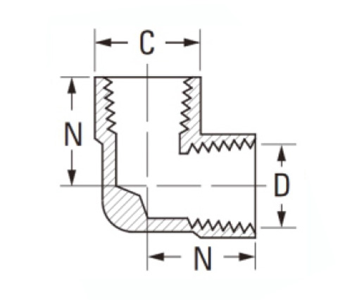
ESPECIFICAÇÕES

PAPEL# Tamanho da linha C D N N
3500-A 1/8 × 1/8 9/16 .219 .66 .47
3500-B 1/4 × 1/4 11/16 .315 .91 .72
3500-C 3/8 × 3/8 13/16 .438 .97 .78
3500-D 1/2 × 1/2 1 " .562 1.25 1.03
3500-E 3/4 × 3/4 1 "-1/4 .750 1.38 1.12

Ref.SAE No.130238

Feito de latão, nossos cotovelos de 90 graus são fabricados para atender às necessidades de aplicações industriais e de construção. O latão forjado é mais durável, mais difícil e menos provável de dobrar do que os produtos extrudados. Nossos acessórios de bronze também têm melhor resistência ao choque e vibração. Oferecemos acessórios de tubos forjados e extrudados para projetos em todas as aplicações do setor, incluindo linhas aéreas, linhas de água, linhas de resfriamento e muito mais. Os acessórios de latão são fabricados com os padrões da mais alta qualidade. Do processo de forjamento ao encadeamento e acabamento final, cada estágio é verificado com ferramentas de precisão. Esses acessórios atendem aos requisitos funcionais do SAE J530 e SAE J531, sendo compatíveis com o SAE SAIE J514 e o ASME B16.21. Nossos cotovelos de 90 graus são fabricados a partir de latão de alta qualidade, fornecendo uma estrutura forte e durável. Oferecemos opções de montagem de fábrica e caminhão com duas configurações diferentes de Barb para acomodar grandes tamanhos de tubos de furo. Esteja você procurando um substituto ou deseja atualizar seu sistema, o crouse-hinds pode ajudar.

Contato conosco

Sobre Legines

Legines Industrial Machinery Inc.

Como fabricantes profissionais de acessórios de bronze da China e fornecedores de acessórios. 45 Máquinas-ferramentas automáticas, 35 Machine Tools CNC semi-automática, bem como distribuidores, que se tornaram fornecedores importantes para a produção de peças de latão padrão americano na China ...
  • honra
  • honra

Instruções & NOTÍCIAS