legines.com
3300# Redutucer ACOPLING TIPA

3300# Redutucer ACOPLING TIPA

Recursos do produto: Mercados:
■■ Toda a construção de latão ■■ Industrial
■■ Atende aos requisitos funcionais de ■■ Construção
SAE J530 e SAE J531 ■■ Caminhão pesado
■■ Tópicos feitos para padrões dryseal ■■ Móvel
■■ Tanto o esquecimento quanto as extrusões disponíveis ■■ Automação de fábrica/processo

Aplicações: tubulação compatível:
■■ Linhas aéreas ■■ Cobre
■■ Linha de água ■■ Latão
■■ Linhas de resfriamento ■■ Tubo de ferro

Especificações:
Faixa de pressão até 1000 psi
Faixa de temperatura -65˚ a 250˚F

Aplicação típica:
Graxa, combustíveis, LP e gás natural, refrigerção.

Conformidade:
Atende às especificações e padrões da ASA, ASME e SAE.

Parte de referência no:
377 -3300 -208P -108 -119B -119AH

Contate-nos

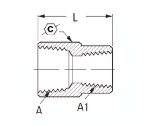
ESPECIFICAÇÕES

PAPEL# Tamanho da linha C L
3300-BA 1/4 × 1/8 3/4 .97
3300L-BA 1/4 × 1/8 5/8 .83
3300-CA 3/8 × 1/8 7/8 .94
3300-CB 3/8 × 1/4 7/8 1.16
3300L-CB 3/8 × 1/4 13/16 1.00
3300L-DA 1/2 × 1/8 15/16 1.19
3300-dB 1/2 × 1/4 1-1/16 1.28
3300l-db 1/2 × 1/4 15/16 1.11
3300-DC 1/2 × 3/8 1-1/16 1.38
3300L-DC 1/2 × 3/8 15/16 1.19
*3300-EC 3/4 × 3/8 1-3/16 1.19
*3300-ED 3/4 × 1/2 1-3/16 1.19

*Não para SAE Specs

* Ref.sae.No.130138

*L: luz

FM3300 SERIDADE REDUPOR DE ACUPAÇÃO DO COPLING APARTIDOS São usados para unir 2 tubos diferentes de diâmetro em sistemas de tubulação, com uma configuração direta. Acoplamento do redutor de tubo SAE padrão com uma solda na extremidade masculina e na extremidade feminina. Atende aos requisitos funcionais do SAE J530, SAE J531 e outras aplicações industriais. Toda a construção de latão torna esse encaixe adequado para aplicações de caminhões pesados. Os fios feitos para os padrões drySeal são compatíveis com tubos e tubos de cobre.
Nosso encaixe é feito com 100% de ligas e materiais, com extremidades de acoplamento de latão. Este acessório foi testado quanto à pressão de até 1000 psi. Vem em um cilindro pressurizado com todas as camlocks e acessórios.

Contato conosco

Sobre Legines

Legines Industrial Machinery Inc.

Como fabricantes profissionais de acessórios de bronze da China e fornecedores de acessórios. 45 Máquinas-ferramentas automáticas, 35 Machine Tools CNC semi-automática, bem como distribuidores, que se tornaram fornecedores importantes para a produção de peças de latão padrão americano na China ...
  • honra
  • honra

Instruções & NOTÍCIAS