legines.com
3151# acessórios de meta

3151# acessórios de meta

Recursos do produto: Mercados:
■■ Toda a construção de latão ■■ Industrial
■■ Atende aos requisitos funcionais de ■■ Construção
SAE J530 e SAE J531 ■■ Caminhão pesado
■■ Tópicos feitos para padrões dryseal ■■ Móvel
■■ Tanto o esquecimento quanto as extrusões disponíveis ■■ Automação de fábrica/processo

Aplicações: tubulação compatível:
■■ Linhas aéreas ■■ Cobre
■■ Linha de água ■■ Latão
■■ Linhas de resfriamento ■■ Tubo de ferro

Especificações:
Faixa de pressão até 1000 psi
Faixa de temperatura -65˚ a 250˚F

Aplicação típica:
Graxa, combustíveis, LP e gás natural, refrigerção.

Conformidade:
Atende às especificações e padrões da ASA, ASME e SAE.

Parte de referência no:
3151 -211p -109a -109b

Contate-nos

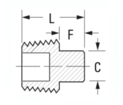
ESPECIFICAÇÕES

PAPEL#

Tamanho da linha

C

F

L

3151-A

1/8

.28

.24

.58

3151-B

1/8

.37

.29

.80

*3151L-B

1/4

.37

.29

.80

3151-C

3/8

.43

.32

.80

3151L-C

3/8

.43

.32

.80

3151-D

1/2

.56

.39

1.07

*3151L-D

1/2

.56

.39

1.07

3151-e

3/4

.62

.43

1.11

*3151L-e

3/4

.62

.43

1.11

*HOLL

Nossa série 3151 oferece uma gama completa de acessórios de tubo usados em linhas de ar, linhas de água e sistemas de lubrificação. Esses acessórios de latão são fabricados nos materiais SAE J530 e SAE J531 para atender às suas pressões e temperaturas de trabalho para uma vida útil confiável. Os acessórios apresentam perdoas e extrusões disponíveis, bem como tampas de revestimento resistentes à corrosão que podem ser pintadas para qualquer padrão OEM. Toda a construção de latão fornece resistência e força de corrosão superiores. Esse encaixe atende ao padrão J530 e é compatível com a rosqueamento de tubo DrySeal. Esteja você construindo uma nova linha de ar ou substituindo os acessórios de metal mais antigos pela tecnologia moderna, esses acessórios duráveis ajudarão você a fazer o trabalho certo.
Os acessórios de plugue da cabeça quadrada são fabricados a partir de latão e podem ser usados em uma variedade de aplicações, incluindo linhas de resfriamento, linhas de água, linhas de ar e conexões eletrônicas. Cada acessório é compatível com tubos de cobre ou tubo de ferro, bem como tubulação de latão.

Contato conosco

Sobre Legines

Legines Industrial Machinery Inc.

Como fabricantes profissionais de acessórios de bronze da China e fornecedores de acessórios. 45 Máquinas-ferramentas automáticas, 35 Machine Tools CNC semi-automática, bem como distribuidores, que se tornaram fornecedores importantes para a produção de peças de latão padrão americano na China ...
  • honra
  • honra

Instruções & NOTÍCIAS