legines.com
3750# acessórios de latão

3750# acessórios de latão

Recursos do produto: Mercados:
■■ Toda a construção de latão ■■ Industrial
■■ Atende aos requisitos funcionais de ■■ Construção
SAE J530 e SAE J531 ■■ Caminhão pesado
■■ Tópicos feitos para padrões dryseal ■■ Móvel
■■ Tanto o esquecimento quanto as extrusões disponíveis ■■ Automação de fábrica/processo

Aplicações: tubulação compatível:
■■ Linhas aéreas ■■ Cobre
■■ Linha de água ■■ Latão
■■ Linhas de resfriamento ■■ Tubo de ferro

Especificações:
Faixa de pressão até 1000 psi
Faixa de temperatura -65˚ a 250˚F

Aplicação típica:
Graxa, combustíveis, LP e gás natural, refrigerção.

Conformidade:
Atende às especificações e padrões da ASA, ASME e SAE.

Parte de referência no:
2225p -225 -3750 -326 -225 -127A -28245 ~ 28249

Contate-nos

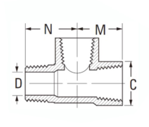
ESPECIFICAÇÕES

PAPEL#

Tamanho da linha

C

D

M

N

3750-A

1/8

9/16

.219

.55

.66

3750-B

1/4

11/16

.312

.78

.90

3750-C

3/8

13/16

.438

.84

.97

3750-D

1/2

1 "

.562

1.09

1.25

3750-E

3/4

1 "-1/4

.750

1.38

1.38

*Ref.sae.no.130424

#3750 Os acessórios de tee de execução masculina são fabricados a partir de latão e atendem às necessidades da automação industrial, de fábrica/processos e aplicativos móveis. Eles fornecem uma conexão para linhas de ar pressurizadas. A tubulação compatível está disponível no tubo de cobre, latão e ferro. Os mercados incluem construção de caminhões de construção, industriais e de serviço pesado. Os materiais compatíveis incluem linhas de ar, linhas de água e linhas de resfriamento. Esses acessórios de latão vêm em homens e mulheres para sua conveniência. Os materiais são fortes o suficiente para enfrentar vazamentos e forçar, tornando -os ideais para qualquer condição climática.  Cada acessório é feito com tubos de cobre, latão e outros materiais de qualidade que trazem força, durabilidade e longevidade à peça.

Contato conosco

Sobre Legines

Legines Industrial Machinery Inc.

Como fabricantes profissionais de acessórios de bronze da China e fornecedores de acessórios. 45 Máquinas-ferramentas automáticas, 35 Machine Tools CNC semi-automática, bem como distribuidores, que se tornaram fornecedores importantes para a produção de peças de latão padrão americano na China ...
  • honra
  • honra

Instruções & NOTÍCIAS