legines.com
3600# acessórios de latão Branch tee de bronze acessórios de tubulação

3600# acessórios de latão Branch tee de bronze acessórios de tubulação

Recursos do produto: Mercados:
■■ Toda a construção de latão ■■ Industrial
■■ Atende aos requisitos funcionais de ■■ Construção
SAE J530 e SAE J531 ■■ Caminhão pesado
■■ Tópicos feitos para padrões dryseal ■■ Móvel
■■ Tanto o esquecimento quanto as extrusões disponíveis ■■ Automação de fábrica/processo

Aplicações: tubulação compatível:
■■ Linhas aéreas ■■ Cobre
■■ Linha de água ■■ Latão
■■ Linhas de resfriamento ■■ Tubo de ferro

Especificações:
Faixa de pressão até 1000 psi
Faixa de temperatura -65˚ a 250˚F

Aplicação típica:
Graxa, combustíveis, LP e gás natural, refrigerção.

Conformidade:
Atende às especificações e padrões da ASA, ASME e SAE.

Parte de referência no:
2224P -3600 -T9 -X106 -226 -329 -128 -28281 ~ 28285

Contate-nos

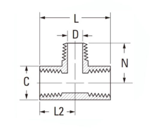
ESPECIFICAÇÕES

PAPEL# Tamanho da linha C D L2 N
3600-A F1/8 × M1/8 9/16 .219 1.10 .66
3600-B F1/4 × M1/4 11/16 .315 1.56 .91
3600-C F3/8 × M3/8 13/16 .438 1.68 .97
3600-D F1/2 × M1/2 1 " .562 2.18 1.25
3600-E F3/4 × M3/4 1 "-1/4 .750 2.31 1.38

*Ref.Sae No.130425

Os acessórios de camisetas de ramo pesado são feitos de latão de bitola pesada, fabricados nos padrões SAE J530 e SAE J531. Eles estão disponíveis em esquecimento e extrusões, o que nos dá a versatilidade de oferecer uma ampla variedade de opções para nossos clientes. Construídos com classificações de pressão e temperatura, essas camisetas são adequadas para uso em praticamente qualquer processo industrial. Ambas as marcas de tubulação podem ser usadas com sucesso com esse ajuste. Nossa linha de acessórios de tee de ramificação de cobre e bronze fornece qualidade superior e desempenho confiável na gama mais ampla de aplicações. Nossos engenheiros qualificados podem ajudá -lo a selecionar o melhor produto ou projetar um sistema para atender às suas necessidades específicas.

Contato conosco

Sobre Legines

Legines Industrial Machinery Inc.

Como fabricantes profissionais de acessórios de bronze da China e fornecedores de acessórios. 45 Máquinas-ferramentas automáticas, 35 Machine Tools CNC semi-automática, bem como distribuidores, que se tornaram fornecedores importantes para a produção de peças de latão padrão americano na China ...
  • honra
  • honra

Instruções & NOTÍCIAS