legines.com
55# SAE 45 ° FLARE ACORTES FORDENTES DE 90 ° FLARE COLACO

55# SAE 45 ° FLARE ACORTES FORDENTES DE 90 ° FLARE COLACO

Recursos do produto:
■■ Toda a construção de latão
■■ Resiste à vibração com o uso de porca longa
■■ Listagem UL
■■ Requisitos funcionais do SAE J512 e J513


Mercados: Aplicações:
■■ Refrigeração ■■ Linhas de refrigerante
■■ Caminhão pesado ■■ Propano
■■ Móvel ■■ Combustíveis
■■ Industrial ■■ Adaptadores
■■ Aquecimento ■■ Gás natural
■■ Ar condicionado

Parte de referência no:
E2 -155F -55 -10044 a 10412

Contate-nos

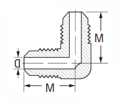
ESPECIFICAÇÕES

PAPEL#

Tube O. d

C

D

L

55-2

1/8

3/8

.079

.64

55-3

3/16

3/8

.126

.73

55-4

1/4

3/8

.189

.81

55-5

5/16

7/16

.220

.92

55-6

3/8

7/16

.282

1.04

55-8

1/2

9/16

.408

1.31

55-10

5/8

11/16

.502

1.39

5512

3/4

7/8

.627

1.53

55-6 × 4

3/8 × 1/4

7/16

/

/

55-8 × 6

1/2 × 3/8

7/16

/

/

55-10 × 8

5/8 × 1/2

11/16

/

/

*Os dados de dimensão podem mudar sem aviso prévio

*Ref.sae.no.010201

SAE 45 ° FLARE ACREDITOS FORGENTES O cotovelo de flare de 90 ° é ideal para gás natural e propano. Os produtos apresentam uma construção de latão de alta qualidade, com porca longa. Nossos acessórios estão listados e atendem aos requisitos funcionais do SAE J512 e J513.

Contato conosco

Sobre Legines

Legines Industrial Machinery Inc.

Como fabricantes profissionais de acessórios de bronze da China e fornecedores de acessórios. 45 Máquinas-ferramentas automáticas, 35 Machine Tools CNC semi-automática, bem como distribuidores, que se tornaram fornecedores importantes para a produção de peças de latão padrão americano na China ...
  • honra
  • honra

Instruções & NOTÍCIAS