legines.com
45# SAE 45 ° FLARE BRASS FORGED CHAMADE

45# SAE 45 ° FLARE BRASS FORGED CHAMADE

Recursos do produto:
■■ Toda a construção de latão
■■ Resiste à vibração com o uso de porca longa
■■ Listagem UL
■■ Requisitos funcionais do SAE J512 e J513


Mercados: Aplicações:
■■ Refrigeração ■■ Linhas de refrigerante
■■ Caminhão pesado ■■ Propano
■■ Móvel ■■ Combustíveis
■■ Industrial ■■ Adaptadores
■■ Aquecimento ■■ Gás natural
■■ Ar condicionado

Parte de referência no:
T1 -145F -45 -10203 a 10221

Contate-nos

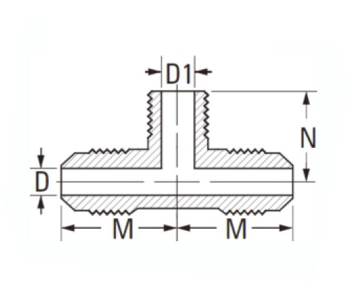
ESPECIFICAÇÕES

PAPEL#

Flare o.d × amado

D

M

N

45-3a

3/16 × 1/8

.126

.75

.75

45-4A

1/4 × 1/8

.189

.78

.78

45-4b

1/4 × 1/4

.189

.88

.88

45-5a

5/16 × 1/8

.219

.88

.80

45-5b

5/16 × 1/4

.219

1.00

.94

45-6b

3/8 × 1/4

.282

1.00

.94

45-6c

3/8 × 3/8

.282

1.00

1.00

45-6d

3/8 × 1/2

.282

1.12

1.12

45-8c

1/2 × 3/8

.408

1.16

1.09

45-8d

1/2 × 1/2

.408

1.22

1.22

45-1OD

5/8 × 1/2

.500

1.41

1.31

45-12d

3/4 × 1/2

.625

1.63

1.59

45-12E

3/4 × 3/4

.625

1.63

1.44

*Ref.Sae No.010425

A camiseta de ramificação masculina de bronze de 45 ° oferece opções para o seu sistema de tubulação. Esses acessórios roscados são universais, pois podem ser usados em ambos os lados para trabalhar com pontas de brilho ou torneira, conforme necessário pelos padrões da indústria. Todos os nossos produtos são feitos de latão e são duráveis e confiáveis. A unidade está listada e atende aos requisitos funcionais do SAE J512 e J513. Tamanhos adicionais disponíveis mediante solicitação.

Contato conosco

Sobre Legines

Legines Industrial Machinery Inc.

Como fabricantes profissionais de acessórios de bronze da China e fornecedores de acessórios. 45 Máquinas-ferramentas automáticas, 35 Machine Tools CNC semi-automática, bem como distribuidores, que se tornaram fornecedores importantes para a produção de peças de latão padrão americano na China ...
  • honra
  • honra

Instruções & NOTÍCIAS