legines.com
72# acessórios de compactação

72# acessórios de compactação

Aplicações: Mercados:
■■ Linhas aéreas ■■ Industrial
■■ Linhas de lubrificação ■■ Embalagem
■■ Linhas de resfriamento ■■ Pneumático
■■ Indústria ■■ Impressão
■■ Máquinas
■■ Compressores
■■ Transferência de fluidos

Recursos do produto:
■■ Atende aos requisitos funcionais do SAE J-512
■■ Ul listado para líquido inflamável
■■ Manga de latão ou acetal disponível
■■ Sem preparação do tubo
■■ Formas forjadas e extrudadas

Parte de referência no:
72 -172C -S72 -72A

Contate-nos

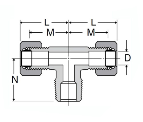
ESPECIFICAÇÕES

PAPEL#

Tubo o.d × macho nptf

M

N

D

72-3a

3/16 × 1/8

.63

.69

.125

72-4A

1/4 × 1/8

.63

.75

.188

72-4b

1/4 × 1/4

.69

.88

.188

72-5a

5/16 × 1/8

.72

.75

.250

72-5b

5/16 × 1/4

.75

.88

.250

72-6a

3/8 × 1/8

.75

.75

.312

72-6b

3/8 × 1/4

.79

.87

.312

72-6c

3/8 × 3/8

.88

1.00

.330

72-8c

1/2 × 3/8

.94

1.09

.406

72-8d

1/2 × 1/2

.97

1.19

.406

72-10d

5/8 × 1/2

1.06

1.31

.500

Todos os acessórios de compressão são fabricados para atender ou exceder os requisitos funcionais do SAE J-512 e UL listados para líquido inflamável. Eles são feitos de liga de alumínio, latão ou acetal. Nossas formas forjadas e extrudadas têm um alto grau de resistência a danos que normalmente ocorreriam em acessórios mais convencionais. Faremos qualquer forma que você possa imaginar até um diâmetro máximo de 2 ”.
Os acessórios de compactação do ramo masculino é um ajuste de camiseta do tipo ramo de 90 ° para uso com cobre, aço inoxidável e tubo termoplástico. O cotovelo gira 360 ° para facilitar a conexão com ângulos difíceis e tubos de tee.

Contato conosco

Sobre Legines

Legines Industrial Machinery Inc.

Como fabricantes profissionais de acessórios de bronze da China e fornecedores de acessórios. 45 Máquinas-ferramentas automáticas, 35 Machine Tools CNC semi-automática, bem como distribuidores, que se tornaram fornecedores importantes para a produção de peças de latão padrão americano na China ...
  • honra
  • honra

Instruções & NOTÍCIAS