legines.com
64# Brass Union Tee Compactings

64# Brass Union Tee Compactings

Brass Union Tee Compression Acessos 64#

Aplicações: Mercados:
■■ Linhas aéreas ■■ Industrial
■■ Linhas de lubrificação ■■ Embalagem
■■ Linhas de resfriamento ■■ Pneumático
■■ Indústria ■■ Impressão
■■ Máquinas
■■ Compressores
■■ Transferência de fluidos

Recursos do produto:
■■ Atende aos requisitos funcionais do SAE J-512
■■ Ul listado para líquido inflamável
■■ Manga de latão ou acetal disponível
■■ Sem preparação do tubo
■■ Formas forjadas e extrudadas

Parte de referência no:
64 -164C -S64 -64A

Contate-nos

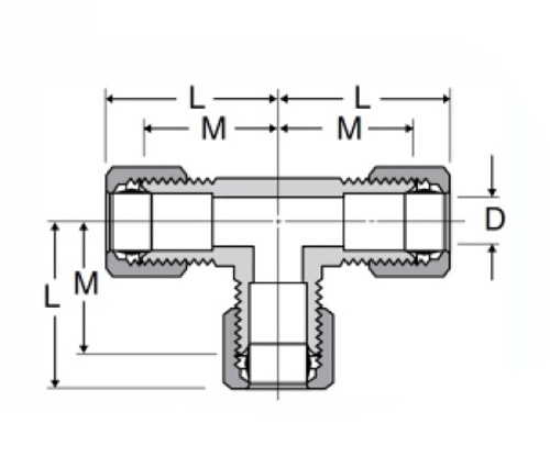
ESPECIFICAÇÕES

PAPEL#

Tamanho do tubo O.D

M

M

D

64-2

1/8

/

.53

.94

64-3

3/16

/

.59

.125

64-4

1/4

/

.627

.188

64-5

5/16

/

.65

.250

64-6

3/8

/

.73

.312

64-8

1/2

/

.94

.406

64-10

5/8

/

1.06

.500

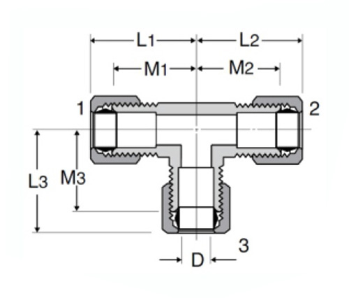
PAPEL#

Tamanho do tubo

M1

M2

M3

64-4-4-6

1/4x1/4x3/8

.69

.69

.75

64-4-6-4

1/4x3/8x1/4

.69

.75

.69

64-6-6-4

3/8x3/8x1/4

.75

.75

.69

64-8-8-6

1/2x1/2x3/8

.94

.94

.81

64-10-10-8

5/8x5/8x1/2

1.06

1.06

1.06

*REF.SAE No.060401 BA

Nossos acessórios de compressão de camiseta de 64 bronze são listados para o líquido inflamável e atendem aos requisitos funcionais do SAE J-512. Disponíveis em formas forjadas ou extrudadas, elas estão disponíveis com roscas usinadas e soquete e em uma manga de latão ou acetal. Disponível com mangas de latão ou acetal, todos os componentes são projetados para facilitar a instalação, então sua instalação corre bem.

Contato conosco

Sobre Legines

Legines Industrial Machinery Inc.

Como fabricantes profissionais de acessórios de bronze da China e fornecedores de acessórios. 45 Máquinas-ferramentas automáticas, 35 Machine Tools CNC semi-automática, bem como distribuidores, que se tornaram fornecedores importantes para a produção de peças de latão padrão americano na China ...
  • honra
  • honra

Instruções & NOTÍCIAS