legines.com
70# forjado 90 ° Feminino de compressão de cotovelo

70# forjado 90 ° Feminino de compressão de cotovelo

Aplicações: Mercados:
■■ Linhas aéreas ■■ Industrial
■■ Linhas de lubrificação ■■ Embalagem
■■ Linhas de resfriamento ■■ Pneumático
■■ Indústria ■■ Impressão
■■ Máquinas
■■ Compressores
■■ Transferência de fluidos

Recursos do produto:
■■ Atende aos requisitos funcionais do SAE J-512
■■ Ul listado para líquido inflamável
■■ Manga de latão ou acetal disponível
■■ Sem preparação do tubo
■■ Formas forjadas e extrudadas

Parte de referência no:
70 -170C -S70 -70A

Contate-nos

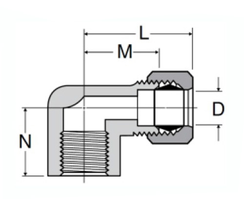
ESPECIFICAÇÕES

PAPEL#

Tubo o.d x femalr nptf

N

M

D

70-3a

3/16x1/8

.470

.69

.125

70-4A

1/4x1/8

.470

.69

.188

70-4b

1/4x1/4

.562

.75

.188

70-5a

5/16x1/8

.600

.78

.234

70-5b

5/16x1/4

.562

.78

.250

70-6b

3/8x1/4

.580

.81

.312

70-6c

3/8x3/8

.580

.88

.312

70-8b

1/2x1/4

.700

1.00

.312

70-8c

1/2x3/8

.700

1.00

.406

70-8d

1/2x1/2

.880

1.00

.406

*REF.SAE No.060203 BA

O cotovelo feminino forjado de 70# é um ajuste de compressão confiável feito para conhecer o SAE J-512. Este acessório foi projetado com um ângulo de 90 ° em relação ao eixo da tubulação e pode ser usado para ramificar ou fazer um ângulo a qualquer momento após a instalação. A manga de latão ou acetal forjada permite a montagem fácil, sem a preparação do tubo necessária.
O cotovelo feminino de 70 graus é usado para controle de fluxo e pode ser usado em aço suave, aço inoxidável, alumínio e plásticos. O cotovelo feminino de 70 graus inclui uma manga de plástico ou latão que oferece resistência à corrosão. Este acessório é compatível com tubos de paredes macias e o tamanho do pescoço corresponde ao tubo OD quando montado.

Contato conosco

Sobre Legines

Legines Industrial Machinery Inc.

Como fabricantes profissionais de acessórios de bronze da China e fornecedores de acessórios. 45 Máquinas-ferramentas automáticas, 35 Machine Tools CNC semi-automática, bem como distribuidores, que se tornaram fornecedores importantes para a produção de peças de latão padrão americano na China ...
  • honra
  • honra

Instruções & NOTÍCIAS