legines.com
1570 D.O.T 90 ° Adaptador de cotovelo

1570 D.O.T 90 ° Adaptador de cotovelo

Recursos do produto:
■■ Chalet de latão
■■ Buna n o-ring
■■ Suporte de tubo de aço inoxidável
■■ Meets D.O.T. FMVSS571.106
■■ Meets SAE J2494 & SAE J2494-3

Mercados:
■■ Caminhão pesado
■■ Reboque
■■ Móvel

Aplicações:
■■ Freios a ar
■■ Tanques de ar
■■ Passeio aéreo
■■ Sliders
■■ Inflação dos pneus
■■ Linhas primárias e secundárias

Tubo compatível:
■■ SAE J844 TIPO A&B NYLON TUBO

Parte de referência no:
AQ70DOT -170pmt -1870 -DQ70DOT -1570DOT

Contate-nos

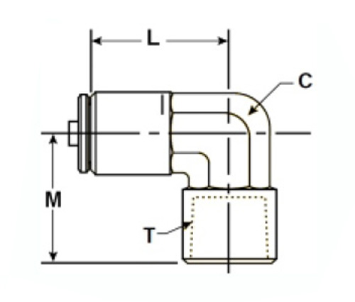
ESPECIFICAÇÕES

PAPEL#

Tubo o.d × femlae nptf

C

M

L

1570-DOT-4A

1/4 × 1/8

3/8

.82

.92

1570-DOT-4B

1/4 × 1/4

1/2

.94

.102

1570-DOT-4C

1/4 × 3/8

5/8

.98

1.11

1570-DOT-6B

3/8 × 1/4

1/2

.94

.96

1570-DOT-6C

3/8 × 3/8

5/8

.91

.98

1570-DOT-8D

1/2 × 1/2

5/8

1.21

1.14

O adaptador SAE J1570 DOT 90 ° de cotovelo possui uma pinça de latão e o ring O buna N Tipo para fixação sem vazamento e instalação fácil, enquanto o suporte do tubo de aço inoxidável garante a durabilidade. Ele se encontra com D.O.T. Requisitos, atendendo a FMVSS571.106, SAE J2494 & SAE J2494-3 Especificações para uso com Tubos de nylon SAE J844 Tipo A&B em caminhão pesado, reboque e aplicações móveis. O design de baixo perfil deste adaptador permite que ele se encaixe em espaços apertados, enquanto ainda é forte o suficiente para atender à especificação de pontos. Este cotovelo de latão foi projetado para ser montado no final de suas linhas de ar, permitindo que girassem cantos em locais apertados. É feito de materiais resistentes à corrosão e contém um tubo de suporte de aço inoxidável que o mantém resistente.

Contato conosco

Sobre Legines

Legines Industrial Machinery Inc.

Como fabricantes profissionais de acessórios de bronze da China e fornecedores de acessórios. 45 Máquinas-ferramentas automáticas, 35 Machine Tools CNC semi-automática, bem como distribuidores, que se tornaram fornecedores importantes para a produção de peças de latão padrão americano na China ...
  • honra
  • honra

Instruções & NOTÍCIAS