legines.com
Coletor de presto 24m

Coletor de presto 24m

Recursos do produto:
■■ Chalet de latão
■■ Buna n o-ring
■■ Suporte de tubo de aço inoxidável
■■ Meets D.O.T. FMVSS571.106
■■ Meets SAE J2494-3
■■ Corpo composto - forte, leve, compacto e resistente ao impacto
■■ Configurações de plug-in

Mercados:
■■ Caminhão pesado
■■ Reboque
■■ Móvel

Aplicações:
■■ Freios a ar
■■ Tanques de ar
■■ Passeio aéreo
■■ Sliders
■■ Inflação dos pneus
■■ Linhas primárias e secundárias
■■ Controles de táxi

Contate-nos

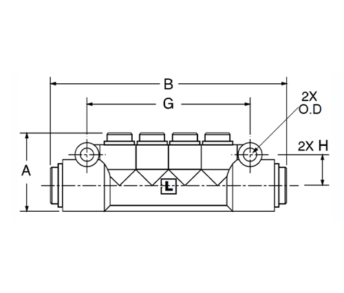
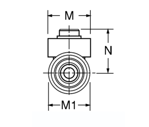
ESPECIFICAÇÕES

PUMPEL

Não.

Tubo o.d

lnlet

Tubo o.d

Tomada

A B D G H M M1 N
24m-4-4 1/4 1/4 1.33 3.98 .21 2.75 .53 .90 .88 .89
24m-6-4 3/8 1/4 1.33 4.00 .21 2.75 .53 .90 .88 .89
24m-6-6 3/8 3/8 1.65 6.49 .22 4.55 .60 1.02 1.02 1.33
24m-8-8 1/2 1/2 1.65 6.49 .22 4.55 .60 1.02 1.02 1.33
24M-8-6-4-4-6-8 1/2 3/8 e 1/4 1.65 6.49 .22 4.55 .60 1.02 1.02 1.17

O coletor Presto de 24m é construído para fornecer um serviço fácil, rápido e confiável. O corpo composto com design forte, leve e resistente ao impacto e compacto fornece força enquanto reduz o volume. O coletor Presto de 24m foi projetado para atender aos requisitos D.O.T FMVSS571.106, SAE J2494-3 para aplicações de alta pressão. Seus recursos de plug & play permitem a máxima versatilidade em qualquer aplicativo.

Contato conosco

Sobre Legines

Legines Industrial Machinery Inc.

Como fabricantes profissionais de acessórios de bronze da China e fornecedores de acessórios. 45 Máquinas-ferramentas automáticas, 35 Machine Tools CNC semi-automática, bem como distribuidores, que se tornaram fornecedores importantes para a produção de peças de latão padrão americano na China ...
  • honra
  • honra

Instruções & NOTÍCIAS