legines.com
3400# acessórios de tubo de latão 90 graus cotovelo de rua

3400# acessórios de tubo de latão 90 graus cotovelo de rua

Recursos do produto: Mercados:
■■ Toda a construção de latão ■■ Industrial
■■ Atende aos requisitos funcionais de ■■ Construção
SAE J530 e SAE J531 ■■ Caminhão pesado
■■ Tópicos feitos para padrões dryseal ■■ Móvel
■■ Tanto o esquecimento quanto as extrusões disponíveis ■■ Automação de fábrica/processo

Aplicações: tubulação compatível:
■■ Linhas aéreas ■■ Cobre
■■ Linha de água ■■ Latão
■■ Linhas de resfriamento ■■ Tubo de ferro

Especificações:
Faixa de pressão até 1000 psi
Faixa de temperatura -65˚ a 250˚F

Aplicação típica:
Graxa, combustíveis, LP e gás natural, refrigerção.

Conformidade:
Atende às especificações e padrões da ASA, ASME e SAE.

Parte de referência no:
2202p -3400 -304 -115 -202 -116A -28156 a 2816

Contate-nos

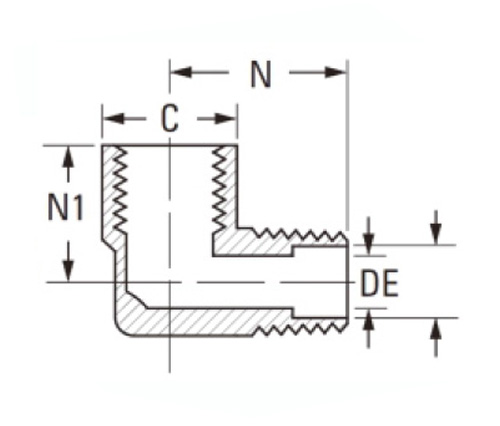
ESPECIFICAÇÕES

PAPEL# Tamanho da linha C D N N1
3400-AA 1/8 × 1/8 9/16 .219 .66 .47
3400-BB 1/4 × 1/4 11/16 .315 .91 .72
3400-cc 3/8 × 3/8 13/16 .438 .97 .78
3400-DD 1/2 × 1/2 1 " .562 1.25 1.03
3400-ee 3/4 × 3/4 1-1/4 .750 1.38 1.12

Ref.SAE No.130239

3400# acessórios de tubulação de latão 90 graus O cotovelo da rua é feito de toda a construção de latão e compatível com esquecimento e extrusões; Acessórios industriais que atendem aos requisitos funcionais do SAE J530 e SAE J531; Mercado: Construção, caminhão pesado e celular. Ambos os padrões são seguidos para funcionar em aplicações móveis que são borracha termoplástica (TPR) foi desenvolvida para uso em aplicações automotivas, industriais e comerciais, onde o CPVC é incompatível. Esse cotovelo de rua de 90 graus é adequado para uso em sistemas hidráulicos, especialmente quando trabalham sob pressão extrema. Está disponível em uma ampla gama de tamanhos e possui resistência à corrosão excepcional. Esse ajuste é usado para conectar linhas de ar que consistem em tubos de cobre. Ele tem um ângulo de 90 graus e é feito de latão, para que possa suportar condições climáticas duras.

Contato conosco

Sobre Legines

Legines Industrial Machinery Inc.

Como fabricantes profissionais de acessórios de bronze da China e fornecedores de acessórios. 45 Máquinas-ferramentas automáticas, 35 Machine Tools CNC semi-automática, bem como distribuidores, que se tornaram fornecedores importantes para a produção de peças de latão padrão americano na China ...
  • honra
  • honra

Instruções & NOTÍCIAS