legines.com
24# Mini Mangueira Barb Union

24# Mini Mangueira Barb Union

Recursos do produto:
■■ Compactar
■■ Uma pedaço
■■ Não é necessário grampo
■■ Boa resistência à vibração

Mercados:
■■ Pneumático
■■ Controle ambiental

Aplicações:
■■ Sistemas pneumáticos
■■ Controle climático
■■ Umidificadores
■■ Filtros

Tubo compatível:
■■ Polyetileno

Contate-nos

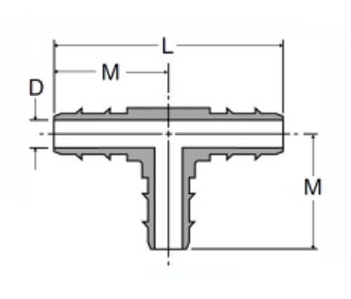
ESPECIFICAÇÕES

Todo o tamanho é de tubo o.d (i.d)

PAPEL#

Tubo o.d

D

M

24-5/32

5/32

.062

.50

24-4-4

1/4

.290

.63

24-6-6

3/8

.390

.63

24-8-8

1/2

.577

.81

Nossa mini camiseta da União da Mangueira é feita de uma peça e não fornece nenhuma pinça necessária. É uma solução valiosa para desabafar, vincular tubos e controlar o fluxo em sistemas pneumáticos, bem como controle climático e umidificadores, filtros, etc.
A camiseta de 24# Mini Mangueira Barb Union foi projetada para os padrões da mais alta qualidade, o que significa que ele oferecerá o melhor desempenho possível em todas as circunstâncias. Este produto é um ajuste de união farpado de mangueira compacto e fácil de usar que funciona muito bem com a tubulação de polietileno. Possui uma abertura extra grande para a sua tubulação, além de excelente resistência à vibração e recursos de flexibilidade/flexibilidade.
Construído de poliacetal durável e leve e projetado para uso com aço padrão ou tubulação de aço inoxidável. Os dentes moldados na borda externa do Barb fornecem energia de preensão superior e facilitam a instalação.

Contato conosco

Sobre Legines

Legines Industrial Machinery Inc.

Como fabricantes profissionais de acessórios de bronze da China e fornecedores de acessórios. 45 Máquinas-ferramentas automáticas, 35 Machine Tools CNC semi-automática, bem como distribuidores, que se tornaram fornecedores importantes para a produção de peças de latão padrão americano na China ...
  • honra
  • honra

Instruções & NOTÍCIAS