legines.com
72# BRASS MASCO RUNCE TEE CONJUNTOS DE COMPRESSÃO

72# BRASS MASCO RUNCE TEE CONJUNTOS DE COMPRESSÃO

Brass Macho Run Tee Compactings 71

Aplicações: Mercados:
■■ Linhas aéreas ■■ Industrial
■■ Linhas de lubrificação ■■ Embalagem
■■ Linhas de resfriamento ■■ Pneumático
■■ Indústria ■■ Impressão
■■ Máquinas
■■ Compressores
■■ Transferência de fluidos

Recursos do produto:
■■ Atende aos requisitos funcionais do SAE J-512
■■ Ul listado para líquido inflamável
■■ Manga de latão ou acetal disponível
■■ Sem preparação do tubo
■■ Formas forjadas e extrudadas

71 -171C -71A -S71

Contate-nos

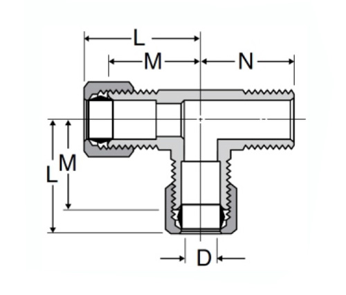
ESPECIFICAÇÕES

PAPEL#

Tubo O.D × NPTF masculino

M

N

D

71-3a

3/16 × 1/8

.63

.69

.125

71-4A

1/4 × 1/8

.63

.75

.188

71-4b

1/4 × 1/4

.69

.88

.188

71-5a

5/16 × 1/8

.72

.75

.250

71-5b

5/16 × 1/4

.75

.88

.250

71-6a

3/8 × 1/8

.75

.75

.312

71-6b

3/8 × 1/4

.79

.87

.312

71-6c

3/8 × 3/8

.88

1.00

.330

71-8c

1/2 × 3/8

.94

1.09

.406

71-8d

1/2 × 1/2

.97

1.19

.406

71-10d

5/8 × 1/2

1.06

1.31

.500

Nossos acessórios de compactação de tee de run de 72# bronze atendem aos requisitos funcionais do SAE J-512 e estão listados para o líquido inflamável. Esses acessórios não têm preparação de tubos e são formas e formas extrudadas. Eles estão disponíveis em uma variedade de materiais, incluindo manga de latão, plástico e metal. Possui uma manga de latão ou acetal e pode ser usada em uma variedade de aplicações, como veículos, transmissões e sistemas de combustível. Nenhuma preparação de tubo é necessária.

Contato conosco

Sobre Legines

Legines Industrial Machinery Inc.

Como fabricantes profissionais de acessórios de bronze da China e fornecedores de acessórios. 45 Máquinas-ferramentas automáticas, 35 Machine Tools CNC semi-automática, bem como distribuidores, que se tornaram fornecedores importantes para a produção de peças de latão padrão americano na China ...
  • honra
  • honra

Instruções & NOTÍCIAS